BSAU 02 Sicherheits-Waschtisch für Wandmontage mit Antivandal-Steuerung
BSAU 02 ist ein neuer Waschtisch für Risikobereiche an, zum Beispiel für Dekompensationszellen in Haftanstalten, für Abteilungen für psychisch geschädigte Patienten in psychiatrischen Anstalten oder für Entzugsanstalten für Drogensüchtige, und selbstverständlich auch für abgelegene, unbeaufsichtigte Orte, wie z.B. Raststellen an Autobahnen und Fernstraßen.
Die Konstruktion dieses an die Wand zu befestigenden Waschtisches basiert zum Teil auf dem Konzept des Waschtisches, der im Sicherheitsset BSK 01 enthalten ist.
Hauptvorteile dieses Antivandal-Waschtisches:
– Sämtliche Teile dieses Waschtisches sind verdeckt, auch Siphon und Wasserzuleitung.
– Das Auslaufrohr ist aus starkem Edelstahl und kann mit gängigen Mitteln nicht verbogen oder abgebrochen werden.
– Die Wasserzufuhr wird durch eine elektronische Steuerung gesteuert, die bei Betätigung der Starttaste nur eine voreingestellte Wassermenge freigibt.
– Die Starttaste reagiert nur auf Niederdrücken, so dass bei anhaltender Verklemmung das Wasser nicht beliebig lang läuft.
– Der Auslauf des Beckens ist als Bohrungen im Edelstahlblech ausgeführt, somit besteht kein Zugriff zum Siphon von oben aus.
– Der Waschtisch ist so gestaltet, dass er keine Möglichkeit zur Selbstbeschädigung psychisch gestörter Personen bietet.
Der Waschtisch hat einen kompletten Edelstahlmantel von 2 mm Stärke (widersteht auch sehr starken Angriffen). Die Oberfläche des Edelstahl-Waschtisches ist sandgestrahlt. Für die Stromversorgung des Waschtisches ist die Stromquelle ZAC 1/20 zu verwenden.
In der Standardausführung ist der Waschtisch für temperiertes Mischwasser vorgesehen. Auf Wunsch können die Abmessungen des Waschtisches geändert oder Ergänzungen gemäß Kundenwünschen ausgeführt werden.
Packungsinhalt
- völlig ummantelter Waschtisch mit einer Starttaste in Antivandal-Ausführung
- elektronische Steuerung
- Montageleiste und Befestigungsmaterial
- Siphon mit Flexo-Anschluss d = 40 (oder d = 50 – kann kundenseitig gewählt werden)
- Anschlussschläuche
- kleines Montagematerial
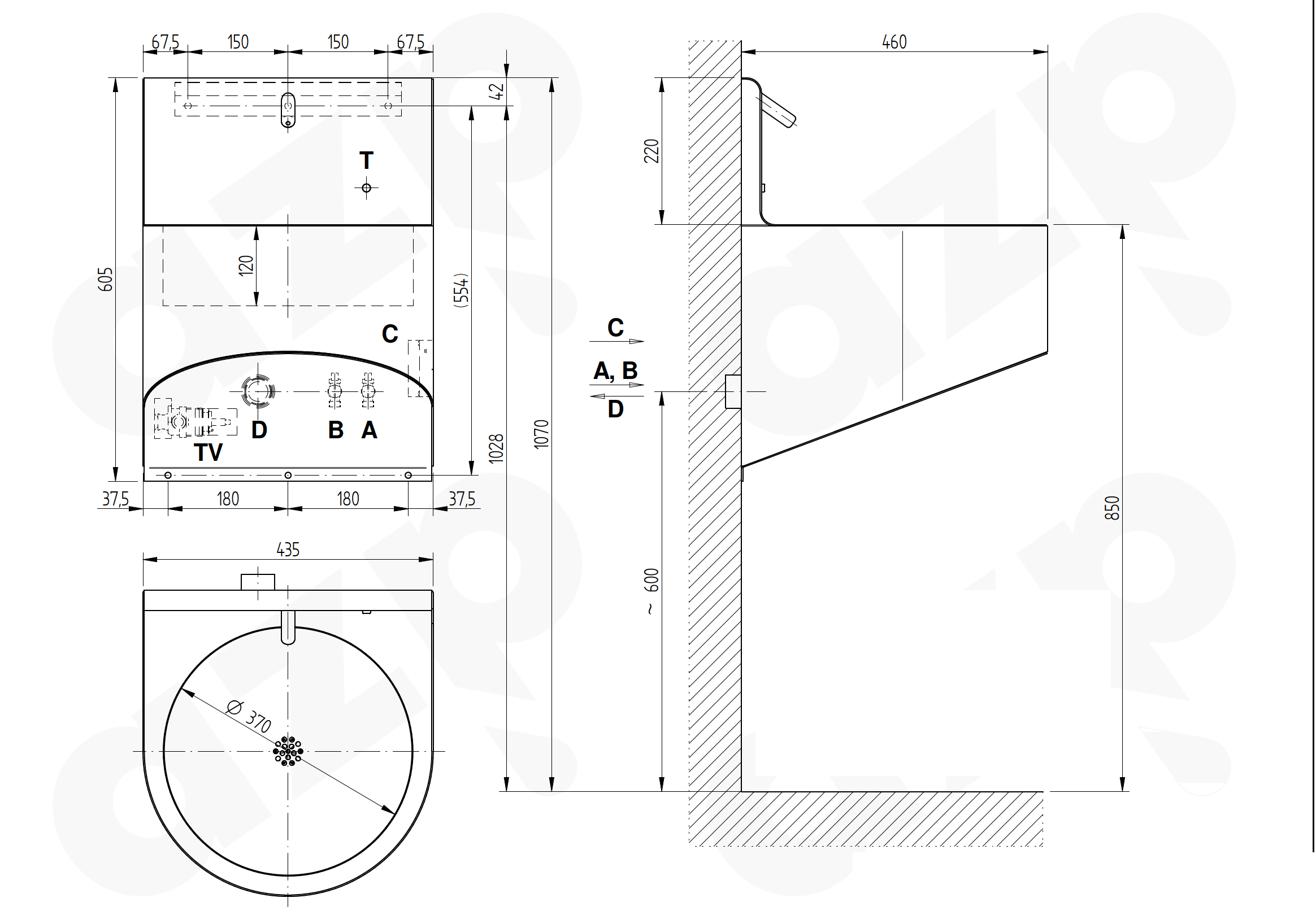
| Wasseranschluss | G 1/2“ |
| Abfluss | d = 40 mm |
| Abmessungen | 600 x 435 x 460 mm |
| Innenmaße des Waschtisches | Diameter 370 mm |
| Schutzgrad | IP 55 |
| einstellbare Flusszeit | 1-20 s. |
| Wasserdruck | 0,1 – 1,0 MPa |
| Stromversorgung | 12 V, 50 Hz |
| Anschlussleistung | 6 VА |
| Stromquelle | ZAC 1/20 (max. 3 x BSAU 02) |
| ZAC 1/50 (max. 8 x BSAU 02) |
- Wasseranschluss gemäß Skizze G = ½“
- Abfluss d=40 mm oder d=50 mm
- Anschlusskabel 12 V, 50 Hz von der Stromquelle ZAC

-
- A – Kaltwasserzulauf (BSAU 02.2; BSAU 02.TV); Mischwasserzulauf (BSAU 02.1); G 1/2" innen
- B – Warmwasserzulauf (BSAU 02.2; BSAU 02.TV)
- C – Elektroanschluss CYKY 2A x 1,5
- D – Ablauf
- TV – Thermostatventil
- T – Edelstahl-Bedienknopf
